- Двухтактный выход
-
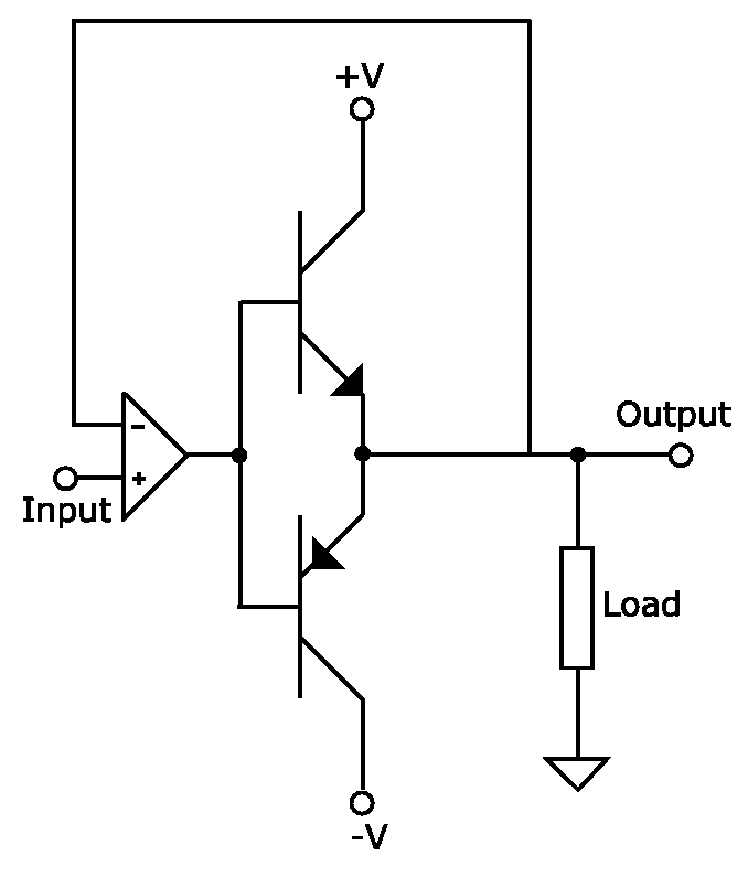
Двухтактный выход (Push–pull output) с использованием PNP и NPN биполярных транзисторов включенных как эмиттерные повторители

Двухтактный выход — схемотехническое решение электронного устройства, которое позволяет пропускать через нагрузку как положительный, так и отрицательный ток.
Обычно реализуется как комплементарная пара транзисторов (пара p-n-p — n-p-n), включенных последовательно — один из них пропускает ток через нагрузку от отрицательного источника питания, другой — от положительного (на землю).
Электронные лампы не имеют комплементарных видов, поэтому ламповые двухтактные усилители имеют пару одинаковых выходных ламп или групп ламп, управляемыми в противофазе; эти лампы пропускают ток через две половины первичной обмотки выходного трансформатора с выводом от середины таким образом, что сигнальные токи складываются, в то время как искажения сигналов из-за нелинейных характеристических кривых ламп вычитаются. Выпрямительным аналогом этой схемы является двухполупериодный выпрямитель с трансформатором со средней точкой (Миткевича).Двухтактные выходы используют в ТТЛ и КМОП цифровых логических схемах, практически во всех транзисторных усилителях и в некоторых типах ламповых (последние были разработаны ранее, задолго до разработки твердотельных электронных устройств, но они всё ещё достаточно широко используются аудиофилами и музыкантами, которые считают что звук подобных усилителей качественнее).
Усилительный каскад, который не является двухтактным, иногда называется однотактным.
Содержание
Аналоговые схемы
В аналоговых двухтактных усилителях мощности два выходных устройства (транзисторы, лампы, полевые транзисторы) или группы таковых действуют в противофазе (т. е. с 180° сдвигом). Два противофазных выхода соединяются вместе и присоединяются к нагрузке, вызывая таким образом сложение выходных токов. При этом происходит вычитание друг из друга составляющих нелинейных искажений из-за нелинейности в выходных цепях; если нелинейность обоих выходных элементов одинакова, искажения значительно уменьшаются (именно из-за этого проводят подборку одинаковых по характеристикам элементов для двухтактных выходов усилителей).
Двухтактные усилители могут работать как в режиме с углом отсечки равным 90° (класс B), так и в режиме с углом отсечки, бо́льшим 90° (класс АВ). При этом они потребляют намного меньше мощности для того же выхода, чем класс A. Искажения также могут быть уменьшены применением отрицательных обратной связи с выхода на вход каскадов усилителя.
Двухтактные усилители класса A производят меньше искажений, чем однотактные усилители. Это позволяет двухтактным усилителям класса A или AB иметь намного меньшие искажения для той же мощности чем такие же устройства использующие однотактную конфигурацию.
Цифровые схемы
В цифровых схемах каждый из двух комплементарных транзисторов включается только тогда, когда второй выключен. Недостатком простого двухтактного выхода является то, что два или более их не могут быть соединены вместе, так как тогда может возникнуть такая ситуация, что оба транзистора одновременно окажутся открыты и повреждены протекающим через них сквозным током. Чтобы избежать этого, некоторые двухтактные выходы имеют третье состояние (Z-состояние) в котором оба транзистора выключены. В этом состоянии выход является, как говорят, плавающим (или, более точно — тристабильным).
Альтернативой двухтактному выходу является одиночный электронный ключ, который присоединяет нагрузку или к земле (т. н. называемый «выход с открытым коллектором» или открытым стоком) или к источнику питания (т. н. называемый «выход с открытым эмиттером» или открытым истоком).
См. также
- Однотактный выход (англ.)
Ссылки
- Двухтактные усилители низкой частоты
- Двухтактные ламповые усилители
- Шихатов А. И. Двухтактные ламповые усилители
- Манаков А. И. Двухтактный УМЗЧ на лампах 6П13С
- Б. Минц. Двухтактно-параллельный усилитель НЧ "Радио", № 8, 1999
- Двухтактный (PP) усилитель начального уровня
- Звуковые усилители класса D: что, зачем и как?
- Выходные каскады
- Push–pull vs. single-ended output in analogue tube amplifiers
Категория:- Электрические цепи
Wikimedia Foundation. 2010.